11年專業銷售工程師-徐工
15年專業銷售工程師-謝工
9年專業銷售工程師-王工
6年銷售工程師-張工
項目產品選型、技術指導高級電器工程師-李工
| 分類 | |
| 品牌 |
| 分類 | |
| 品牌 |
| 分類 | |
| 品牌 |
| 分類 |
|
| 品牌 |
|
優勢一:廣州南創是一家大型傳感器、儀器儀表、工業備品備件供應商!中國傳感器聯合會誠信“AAA”級成員,多家世界知名傳感企業中國市場開拓核心合作伙伴;
優勢二:完善的全國銷售服務網絡:12個區域辦事處、20個分公司、遍布全國的售后服務網點,為您及時便捷實現上門無憂售后服務;
優勢三:為國內多家知名大中型工業企業、航天工業企業提供國際工業自動化控制檢測設備及工業稱重系統和傳感器設備儀表,緊密依托中科院及清華大學的技術支持合作交流。技術、產品可靠值得信賴;
優勢四:鄭重承諾:三個月內產品有質量問題無條件退換貨;
優勢五:資深工程師為您提供全方位完善的一條龍銷售服務指導,售前專業方案設計、產品選型指導,售中安裝調試,售后三年上門免費跟蹤維修服務;
優勢六:全國優勢價格支持銷售,凡在我們公司購買產品,如果同類產品高于主流市場價格,我們雙倍補還差價,性價比高!
優勢七:我公司在國外設有7個境外專業采購中心,保證原裝進口,貨期快捷,價格具有優勢,可靠、放心
優勢八:我公司代理經銷169個品牌,全國同類產品系列全、品種多、多家知名企業中國合作伙伴代理。
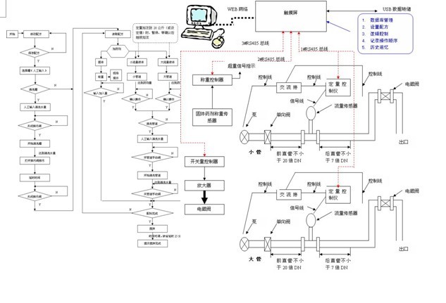
化工配料系統簡介
稱重式自動配料計量控制系統能夠快速、準確地完成液體、粉體物料的準動態計量,可同時對多種液體和粉體進行實時質量計量,并具有對生產各環節實時監控、采集數據、統計、報表、打印等功能。該系統能夠手動或者自動準確地完成預定的反應釜加料、變頻攪拌,料到成品罐、成品罐裝桶、罐車等。廣泛適用于化工配料、食用油、食品加工、乳業、果汁、攪拌站等行業的投料、灌裝及管道輸送的精確計量和自動控制。

化工配料系統說明:
本系統適用于化工、制藥等行業需要進行多種配料管理的場合,其中不少液體配料屬于小量加注,要求精度高,我們充分利用渦輪流量計準確度高的特性,配合定量控制器以及系統軟件的智能化,可以實現用戶對配料管理的目的。
本系統主要完成的功能:
1、化工配料系統數據庫管理
1)產品數據庫,包含:產品編號、產品比重、產品性質
2)用戶數據庫,包含:用戶名稱、用戶權限、用戶密碼
3)操作記錄數據庫,包含:用戶、產品批次、開始操作日期/時間、停止操作日期/時間、操作流程
4)生產結果數據庫,包含:產品批次、生產日期/時間、用戶、產品總量、包裝規格、包裝數量
2、化工配料系統配方管理
1)輸入配方模式:手工輸入、USB轉存、網絡遠程操作
2)單次配方管理
針對于化工涂料自動配料系統的介紹:本配料系統(自動配料系統)中原料配料自動控制自動稱重方式,保證了計量控制的精度。傳統的稱重配料系統的過程控制系統只是對生產過程進行控制,對材料,設備磨損,檢修等信息基本不參與核算統計。本配料系統中具有設備管理,材料管理等多種管理功能,系統根據生產情況自動統計設備運行工況,及時提醒用戶檢修,以便提高生產效率,增加設備使用壽命。
我公司的配料系統可通過各種方式與用戶已有的MIS系統或ERP系統進行無縫保密連接,同時可使用我們的專業的管理軟件,使領導能夠對生產結果,統計信息一目了然,達到到足不出戶,心中有數的效果。該配料系統融合了計算機技術、稱重技術、自動控制、通訊技術、為一體,其控制功能完善,顯示、操作集中,安裝、維護簡單,數據處理方便,系統便于擴展。
我們提供的化工涂料自動配料系統軟件部分是針對配料工段進行監控和自動化配料而設計開發的可視化電腦操作系統。具有操作簡單方便、可靠性強、人機界面友好、功能完備等特點,可廣泛應用于飼料、糧食、制藥、冶金、化工等需要電腦自動配料的行業,智能化信息化水平高:上位機具有配方庫管理功能;智能報表軟件為生產管理提供大量數據信息,如配料結果列表、原材料消耗列表、生產量列表、配方使用結果記錄等,可按時間、配方等生產班報、日報、月報和年報等統計及打印功能。同時提供兩種用戶自定義報表組件,一種是采用水晶報表進行二次設計;另外一種是把數據無縫嵌入到EXCEL報表中。另外,系統可與其他管理系統進行數據交互,滿足深層次的數據分析要求。上位將每次運行各路的累計量、配比、運行起止時間等參數存儲,以便查詢。本配料系統的軟件部分可自動完成系統配料工藝流程,計算機畫面實時顯示配料控制系統工作流程,軟件操作簡單,畫面逼真。同時具有如下特點:上位機軟件設置運行密碼和重要參數密碼修改保護,且用戶實現分級管理,可任意定義人員的權限。
該化工涂料自動配料系統的核心硬件均采用進口或國產上等產品,其中控制儀表采用上等稱重控制儀表,它具有高精度,高可靠性,抗干擾能力強等特點。傳感器選用高精度稱重模塊。稱重模塊安裝簡單、維護方便,為系統長期穩定性提供了可靠的保證。因此我們的配料系統精度高、速度快、穩定性能好,自動化程度高。
稱重式自動配料計量系統特點:
1、采用連續動態計量的方式進行固態、液態粉體物料的定量計量,可以快慢投控制,既提高精度,有保證生產效率。
2、采用操作臺集中控制,組態軟件開發,能快速響應客戶需求變化,人機界面友好,操作員可在控制室監控生產線的工作 狀態,提高效率及處理異常情況的速度;
3、稱重儀表集中安裝,使得與監控軟件和PLC的通信更加方便、安全、可靠;
4、生產、管理軟件功能強大,可完成各種生產配方管理、過程控制、異常報警和生產數據的采集、存儲、報表分析、打印;
5、升級擴充方便,用戶需要將已有的系統擴充,僅需將系統新安裝傳感器引線、閥門控制線引入控制室,并在軟件界面上增加相應功能模塊即可,簡單快捷。
6、具有罐內壓力、液位檢測,在原料罐內可安裝液位計、壓力傳感器,集中控制中心對液位、壓力等實時監控,避免事故的發生。
以下為您推薦閱讀:
配料稱重控制系統_配料稱重系統_配料稱重控制系統
配料秤自動控制系統_配料秤自動控制系統廠家_配料秤自動控制系統
電池配料系統_電池配料系統廠家_電池配料系統
配料混合系統_配料混合系統廠家_配料混合系統
上一篇:【橡膠自動配料系統】_橡膠自動配料系統_橡膠自動配料系統
下一篇:配料稱重控制系統
本站內容未經許可禁止復制轉載!©2002 廣州南創電子科技有限公司
聯系電話:020-82303306 公司傳真:020-82303511下班及雙休日請撥打各品牌負責人電話電話詳情
備案號: 粵ICP備11086172號-1