11年專業銷售工程師-徐工
15年專業銷售工程師-謝工
9年專業銷售工程師-王工
6年銷售工程師-張工
項目產品選型、技術指導高級電器工程師-李工
| 分類 | |
| 品牌 |
| 分類 | |
| 品牌 |
| 分類 | |
| 品牌 |
| 分類 |
|
| 品牌 |
|
優勢一:廣州南創是一家大型傳感器、儀器儀表、工業備品備件供應商!中國傳感器聯合會誠信“AAA”級成員,多家世界知名傳感企業中國市場開拓核心合作伙伴;
優勢二:完善的全國銷售服務網絡:12個區域辦事處、20個分公司、遍布全國的售后服務網點,為您及時便捷實現上門無憂售后服務;
優勢三:為國內多家知名大中型工業企業、航天工業企業提供國際工業自動化控制檢測設備及工業稱重系統和傳感器設備儀表,緊密依托中科院及清華大學的技術支持合作交流。技術、產品可靠值得信賴;
優勢四:鄭重承諾:三個月內產品有質量問題無條件退換貨;
優勢五:資深工程師為您提供全方位完善的一條龍銷售服務指導,售前專業方案設計、產品選型指導,售中安裝調試,售后三年上門免費跟蹤維修服務;
優勢六:全國優勢價格支持銷售,凡在我們公司購買產品,如果同類產品高于主流市場價格,我們雙倍補還差價,性價比高!
優勢七:我公司在國外設有7個境外專業采購中心,保證原裝進口,貨期快捷,價格具有優勢,可靠、放心
優勢八:我公司代理經銷169個品牌,全國同類產品系列全、品種多、多家知名企業中國合作伙伴代理。
【廣州★南創】供應柯力稱重傳感器ILCB-750KG,柯力ILCB-750KG稱重傳感器原裝進口,品質質量好,精度高耐用度強!強烈推薦性價比最高的ILCB-750KG傳感器
產品品牌:美國柯力(Amcells)ILCB-750KG稱重傳感器
產品類型:柯力(Amcells)箱式稱重傳感器
產品型號:ILCB-750KG
產品服務:保證正品現貨,專業的技術及產品支持服務
訂購專線: 020-82303306
產品承諾:絕對的正品供應,十幾年的行業信譽
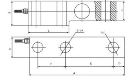
Amcells ILCB-750KG傳感器圖片:
【廣州★南創】長期大量供應柯力Amcells接線盒、柯力HMcells重量變送器、柯力SUNcells數字顯示儀、柯力Amcells S型稱重傳感器、柯力HMcells單點式稱重傳感器、柯力SUNcells懸臂梁式稱重傳感器、柯力MKcells剪切梁式稱重傳感器、韓國CAS稱重傳感器、托利多稱重傳感器、德國Sartorius傳感器、美國RICELAKE傳感器、德國Novotechnik位移傳感器、美國特迪亞Tedea傳感器、意大利Laumas傳感器
ILCB-750KG稱重傳感器特點:
綜合誤差:0.02%F.S
硅膠密封,表面陽極氧化處理,耐腐蝕性極佳。
整體結構,安裝方便。
量程:0.05㎏到1000㎏
高精度
最大秤臺尺寸 450*450㎜
箱式結構
ILCB-750KG稱重傳感器適合在配料秤、包裝秤、動態檢測系統、臺秤上使用

型號:
ILCB-200kg,ILCB-300kg,ILCB-500kg,ILCB-750kg,ILCB-1000kg,ILCB-1500kg。
ILC-50kg,ILC-100kg,ILC-150kg,ILC-200kg,ILC-250kg,ILC-300kg
ILC-500kg,ILC-750kg,ILC-1000kg,ILC-1500kg,ILC-2000kg。
ILKB-60kg,ILKB-100kg,ILKB-150kg,ILKB-200kg。
ILEC-50kg,ILEC-100kg,ILEC-200kg,ILEC-250kg,ILEC-500kg,ILEC-750kg
ILEC-1000kg,ILEC-2000kg。ILEC-A-50kg,ILEC-A-100kg,ILEC-A-200kg
ILEC-A-250kg,ILEC-A-500kg,ILEC-A-750kg,ILEC-A-1000kg,ILEC-A-2000kg。
ILJ-50kg,ILJ-100kg,ILJ-150kg,ILJ-200kg,ILJ-250kg,ILJ-300kg
ILJ-500kg,ILJ-800kg,ILJ-1000kg。
柯力傳感器公司新消息:11月20日今天上午,安徽池州市市長夏吉苗一行10人蒞臨柯力公司考察指導。公司副總裁兼品管總監林德法、總裁助理高建鵬等公司領導及相關部門負責人予以熱情接待。
考察團到訪后,在林副總、高總助等領導的陪同下,夏市長一行直接參觀考察了SNK生產線和品管中心實驗室。在參觀過程中,考察團一行對公司規模、經營范圍、生產和工藝流程等方面興趣點內容進行了了解。
最后,夏市長對柯力傳感器公司的整體發展情況給予了較高評價,并希望雙方能在招商引資方面多有合作。
以上信息是美國柯力(Amcells)ILCB-750KG稱重傳感器的簡單介紹,如果您對柯力ILCB-750KG稱重傳感器的產品特性、型號參數、量程、價格廠家有需要了解的地方,請務必認準中國正式一級供應商【廣州南創】獲取ILCB-750KG傳感器最新產品相關信息。
本站內容未經許可禁止復制轉載!©2002 廣州南創電子科技有限公司
聯系電話:020-82303306 公司傳真:020-82303511下班及雙休日請撥打各品牌負責人電話電話詳情
備案號: 粵ICP備11086172號-1