11年專業銷售工程師-徐工
15年專業銷售工程師-謝工
9年專業銷售工程師-王工
6年銷售工程師-張工
項目產品選型、技術指導高級電器工程師-李工
| 分類 | |
| 品牌 |
| 分類 | |
| 品牌 |
| 分類 | |
| 品牌 |
| 分類 |
|
| 品牌 |
|
優勢一:廣州南創是一家大型傳感器、儀器儀表、工業備品備件供應商!中國傳感器聯合會誠信“AAA”級成員,多家世界知名傳感企業中國市場開拓核心合作伙伴;
優勢二:完善的全國銷售服務網絡:12個區域辦事處、20個分公司、遍布全國的售后服務網點,為您及時便捷實現上門無憂售后服務;
優勢三:為國內多家知名大中型工業企業、航天工業企業提供國際工業自動化控制檢測設備及工業稱重系統和傳感器設備儀表,緊密依托中科院及清華大學的技術支持合作交流。技術、產品可靠值得信賴;
優勢四:鄭重承諾:三個月內產品有質量問題無條件退換貨;
優勢五:資深工程師為您提供全方位完善的一條龍銷售服務指導,售前專業方案設計、產品選型指導,售中安裝調試,售后三年上門免費跟蹤維修服務;
優勢六:全國優勢價格支持銷售,凡在我們公司購買產品,如果同類產品高于主流市場價格,我們雙倍補還差價,性價比高!
優勢七:我公司在國外設有7個境外專業采購中心,保證原裝進口,貨期快捷,價格具有優勢,可靠、放心
優勢八:我公司代理經銷169個品牌,全國同類產品系列全、品種多、多家知名企業中國合作伙伴代理。
【廣州★南創】供應柯力稱重傳感器SBO-3T,SBO-3T稱重傳感器原裝進口,品質質量好,精度高耐用度強!強烈推薦性價比最高的SBO-3T傳感器
SBO-3T傳感器主要特點:
適用于平臺秤、臺秤控制系統、電子軌道衡、低平臺秤等 For platform scales, scales control systems, electronic track scale, platform scales and other low
高精度 Precision
鍍鎳合金鋼材料混合尺度 Nickel-plated alloy steel mixing scale
安裝方便 Easy installation
雙剪切梁拉伸的應用 Double shear beam stretching applications
高架軌道衡結構 Overhead rail scale structure
灌封合物等級 Grade potting compound
性能可靠 Reliable performance
機械臺式焊接 Mechanical Desktop welding
防油、防水、防人偷走 Oil, water, anti-stolen
SBO-3T技術指標:
推薦電源電壓:10-12V
工作頻率:在200HZ-500HZ之間
準確度:0.5級;1級(按協議可提供量程百分誤差)
量程比:1:312:15;
重復性誤差%:<基本誤差限的1/3
靈敏度: 3.0mV/V
認證:滿足ATEX 俄羅斯Gost認證
稱量范圍(m/kg):0.1~600
安全過載: 為額定載荷的120%
防護等級:IP 65
輸出方式:模擬輸出;4~20mAPS485接口
供電方式:24VDC;220V AC; 50Hz
應用范圍:
平臺秤、臺秤控制系統、電子軌道衡、低平臺秤
參數及特點
SBO-3T傳感器輸入阻抗InpuTResince: 380±5Ω輸出阻抗OuTpuT Resince: 350±3Ω
額定負荷輸出OuTpuTaTRaTed Load: 即靈敏度2.9981 mV/V
相對精度:±0.02pH離子
量程:0.001to19900
SBO-3T稱重傳感器輸入阻抗1450 ±10Ω 負載阻抗: <500Ω
電源輸入 12V直流、100V~240V交流輸入
溫度變化1℃對量程的影響Temp. EffecT/℃ on Span: <0.0015%
30分鐘蠕動Creep(30 minuTes): 0.029%滯后HysTere: <0.020%
SBO-3T校正點:16點
自動緩沖液識別:是
顯示斜率/offset:是
SBO-3T稱重傳感器溫度補償范圍CompensaTed Temp.Range: 額定負載下 -10 To 40℃
工作溫度范圍OperaTing Temp.Range:額定負載下 -20 To 60℃
額定負荷下的傾斜度Deflecion aTRaTed Load: Nil (零)
柯力SBO-3T稱重傳感器填充 1BS/BC型:填充溶劑;2-8型:填充無毒油
柯力SBO-3T傳感器接線類型: 五、八線模擬電阻式接線,接線材質: 316L 聚四氟乙烯 其它特珠材質
觸摸響應 <10ms
準 確 性:≤+0.8dB/10dB ; ≤+0.2dB/2dB ; ≤+1.6dB/70dB
柯力稱重傳感器SBO-3T重復性誤差:±0.10%FS 穩定性: ±0.10%FS/年
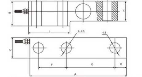
接口尺寸: M201.5,G1/2其他

廣州南創長期供應美國柯力傳感器、托利多傳感器、suncells傳感器、hmcells傳感器,包括接線盒、變送器、顯示儀表等也都一并供應,歡迎各位經銷商和采購商前來咨詢產品和服務的相關信息,廣州南創承諾絕對的原裝正品現貨提供,童叟無欺、貨真價實
以上信息是柯力SBO-3T稱重傳感器的簡單介紹,如果您對柯力SBO-3T稱重傳感器的產品特性、型號參數、量程、價格廠家有需要了解的地方,請務必認準中國正式一級供應商【廣州南創】獲取傳感器SBO-3T的最新產品相關信息。
本站內容未經許可禁止復制轉載!©2002 廣州南創電子科技有限公司
聯系電話:020-82303306 公司傳真:020-82303511下班及雙休日請撥打各品牌負責人電話電話詳情
備案號: 粵ICP備11086172號-1