11年專業銷售工程師-徐工
15年專業銷售工程師-謝工
9年專業銷售工程師-王工
6年銷售工程師-張工
項目產品選型、技術指導高級電器工程師-李工
| 分類 | |
| 品牌 |
| 分類 | |
| 品牌 |
| 分類 | |
| 品牌 |
| 分類 |
|
| 品牌 |
|
優勢一:廣州南創是一家大型傳感器、儀器儀表、工業備品備件供應商!中國傳感器聯合會誠信“AAA”級成員,多家世界知名傳感企業中國市場開拓核心合作伙伴;
優勢二:完善的全國銷售服務網絡:12個區域辦事處、20個分公司、遍布全國的售后服務網點,為您及時便捷實現上門無憂售后服務;
優勢三:為國內多家知名大中型工業企業、航天工業企業提供國際工業自動化控制檢測設備及工業稱重系統和傳感器設備儀表,緊密依托中科院及清華大學的技術支持合作交流。技術、產品可靠值得信賴;
優勢四:鄭重承諾:三個月內產品有質量問題無條件退換貨;
優勢五:資深工程師為您提供全方位完善的一條龍銷售服務指導,售前專業方案設計、產品選型指導,售中安裝調試,售后三年上門免費跟蹤維修服務;
優勢六:全國優勢價格支持銷售,凡在我們公司購買產品,如果同類產品高于主流市場價格,我們雙倍補還差價,性價比高!
優勢七:我公司在國外設有7個境外專業采購中心,保證原裝進口,貨期快捷,價格具有優勢,可靠、放心
優勢八:我公司代理經銷169個品牌,全國同類產品系列全、品種多、多家知名企業中國合作伙伴代理。
【廣州★南創】公司:有賣德國HBM C9B/50N力傳感器生產廠家價格【中國★經銷商】,C9B/50N傳感器多少錢撥供應商 電話020-82303306了解信息,現貨原裝進口、保證滿意!
我們鄭重承諾:“質保一年(三個月內出現質量問題隨時無條件退換貨,退還全部貨款)。兩年提供維護!”
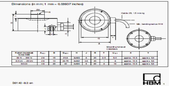
德國HBM C9B/50N力傳感器技術參數:
最大允許力: 120%
額定溫度范圍: -10°C ... +70°C
保護等級: IP67
C9B/50N力傳感器材料: 不銹鋼
力方向: 壓向
額定力: 50N, 100N, 200N, 500N, 1kN, 2kN, 5kN, 10kN, 20kN, 50kN
C9B/50N稱重傳感器額定靈敏度: 1mV/V
結實耐用的HBM C9B力傳感器可以測量靜態和動態壓向力,量程范圍從 50N 到 50kN, 能夠讓你為你的應用如:藥品制造,焊接,壓配以及生產質量控制.選擇合適的型號.




德國HBM C9B力傳感器所有型號:
德國HBM C9B/50N力傳感器
德國HBM C9B/100N力傳感器
德國HBM C9B/200N力傳感器
德國HBM C9B/500N力傳感器
德國HBM C9B/1KN力傳感器
德國HBM C9B/2KN力傳感器
德國HBM C9B/5KN力傳感器
德國HBM C9B/10KN力傳感器
德國HBM C9B/20KN力傳感器
您想要獲取德國HBM C9B/50N力傳感器的詳細信息,請務必認準【廣州南創電子科技有限公司】!
本站內容未經許可禁止復制轉載!©2002 廣州南創電子科技有限公司
聯系電話:020-82303306 公司傳真:020-82303511下班及雙休日請撥打各品牌負責人電話電話詳情
備案號: 粵ICP備11086172號-1