11年專業銷售工程師-徐工
15年專業銷售工程師-謝工
9年專業銷售工程師-王工
6年銷售工程師-張工
項目產品選型、技術指導高級電器工程師-李工
| 分類 | |
| 品牌 |
| 分類 | |
| 品牌 |
| 分類 | |
| 品牌 |
| 分類 |
|
| 品牌 |
|
優勢一:廣州南創是一家大型傳感器、儀器儀表、工業備品備件供應商!中國傳感器聯合會誠信“AAA”級成員,多家世界知名傳感企業中國市場開拓核心合作伙伴;
優勢二:完善的全國銷售服務網絡:12個區域辦事處、20個分公司、遍布全國的售后服務網點,為您及時便捷實現上門無憂售后服務;
優勢三:為國內多家知名大中型工業企業、航天工業企業提供國際工業自動化控制檢測設備及工業稱重系統和傳感器設備儀表,緊密依托中科院及清華大學的技術支持合作交流。技術、產品可靠值得信賴;
優勢四:鄭重承諾:三個月內產品有質量問題無條件退換貨;
優勢五:資深工程師為您提供全方位完善的一條龍銷售服務指導,售前專業方案設計、產品選型指導,售中安裝調試,售后三年上門免費跟蹤維修服務;
優勢六:全國優勢價格支持銷售,凡在我們公司購買產品,如果同類產品高于主流市場價格,我們雙倍補還差價,性價比高!
優勢七:我公司在國外設有7個境外專業采購中心,保證原裝進口,貨期快捷,價格具有優勢,可靠、放心
優勢八:我公司代理經銷169個品牌,全國同類產品系列全、品種多、多家知名企業中國合作伙伴代理。
GD稱重傳感器詳細信息請點擊:Mettler Toledo稱重傳感器;獲取最新報價,提供選型服務。
產品品牌:梅特勒托利多Mettler Toledo GD稱重傳感器
產品類別:搖柱式稱重傳感器
產品系列:托利多GD稱重傳感器
產品價格:面議或電聯

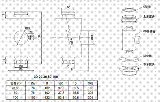
梅特勒托利多GD稱重傳感器技術指標:
GD稱重傳感器額定容量 20,30,50,100t
靈敏度 mV/V 2±0.002
不重復性 %R.O. ≤0.01
滯后 %R.O. ≤±0.02
非線性 %R.O. ≤±0.01
蠕變(30分) %R.O. ≤±0.02
托利多GD稱重傳感器零點輸出 %R.O. ≤±1
輸入阻抗 Ω 1160±10
輸出阻抗 Ω 1000±3
溫度補償范圍 ℃ -10~+40
工作溫度范圍 ℃ -30~+65
靈敏度溫度系數 %Load/ ℃ ≤±0.002
零點溫度系數 %R.O./ ℃ ≤±0.002
絕緣電阻 MΩ ≥5000(直流50V)
安全過載 %R.C. 125
極限過載 %R.C. 300
GD傳感器防護等級 IP68
GD稱重傳感器電纜長度 13 m
建議激勵電壓 V(DC/AC) 5`15
最大激勵電壓 V(DC/AC) 20
梅特勒托利多Mettler Toledo GD稱重傳感器選型圖:


GD稱重傳感器產品特點:
是一款不銹鋼材質的傳感器
防護等級IP68,具有較好的防水防濕功能
具有專利設計的自穩定搖柱結構
獲得荷蘭NMI頒發的OIML R60 C3證書
獲得美國NIST頒發的NTWP 10000 III-L證書
GD稱重傳感器焊接密封
GD稱重傳感器外形高度低安裝方便、快速
長期穩定性好,同HBM Z6兼容
防爆性能滿足EEx lb tlc T4 要求
可提供高溫傳感器,最高工作溫度為200℃
瑞士梅特勒托利多GD稱重傳感器適用于汽車衡、軌道衡,及各種大噸位的配料稱重控制
瑞士梅特勒托利多GD稱重傳感器其它型號資料:
GD-20t請點擊:GD-20t稱重傳感器
GD-30t請點擊:GD-30t稱重傳感器
GD-50t請點擊:GD-50t稱重傳感器
如果您對GD稱重傳感器現貨、價格、GD傳感器產品資料、圖片、貨期、GD稱重傳感器發貨方式、托利多GD稱重傳感器技術參數有什么疑問,請 我們獲取梅特勒托利多GD稱重傳感器最新信息
歡迎來電咨詢專業負責原裝進口GD傳感器工程師:房小姐
本站內容未經許可禁止復制轉載!©2002 廣州南創電子科技有限公司
聯系電話:020-82303306 公司傳真:020-82303511下班及雙休日請撥打各品牌負責人電話電話詳情
備案號: 粵ICP備11086172號-1