" />
11年專業銷售工程師-徐工
15年專業銷售工程師-謝工
9年專業銷售工程師-王工
6年銷售工程師-張工
項目產品選型、技術指導高級電器工程師-李工
| 分類 | |
| 品牌 |
| 分類 | |
| 品牌 |
| 分類 | |
| 品牌 |
| 分類 |
|
| 品牌 |
|
優勢一:廣州南創是一家大型傳感器、儀器儀表、工業備品備件供應商!中國傳感器聯合會誠信“AAA”級成員,多家世界知名傳感企業中國市場開拓核心合作伙伴;
優勢二:完善的全國銷售服務網絡:12個區域辦事處、20個分公司、遍布全國的售后服務網點,為您及時便捷實現上門無憂售后服務;
優勢三:為國內多家知名大中型工業企業、航天工業企業提供國際工業自動化控制檢測設備及工業稱重系統和傳感器設備儀表,緊密依托中科院及清華大學的技術支持合作交流。技術、產品可靠值得信賴;
優勢四:鄭重承諾:三個月內產品有質量問題無條件退換貨;
優勢五:資深工程師為您提供全方位完善的一條龍銷售服務指導,售前專業方案設計、產品選型指導,售中安裝調試,售后三年上門免費跟蹤維修服務;
優勢六:全國優勢價格支持銷售,凡在我們公司購買產品,如果同類產品高于主流市場價格,我們雙倍補還差價,性價比高!
優勢七:我公司在國外設有7個境外專業采購中心,保證原裝進口,貨期快捷,價格具有優勢,可靠、放心
優勢八:我公司代理經銷169個品牌,全國同類產品系列全、品種多、多家知名企業中國合作伙伴代理。
【廣州★南創】全國熱銷品牌瑞士METTLER TOLEDO稱重傳感器GD-50T,托利多GD-50T稱重傳感器原裝正品,價格優勢。如需了解詳情,請撥打全國銷售熱線:020-28989916/82303306, 人:高小姐。
我們鄭重承諾:“三個月內質量出現任何問題無條件退換貨,退還全部貨款,不收任何費用”。質保兩年,三年內免費維護!
產品品牌:瑞士METTLER TOLEDO稱重傳感器
產品名稱:GD-50T,托利多GD-50T稱重傳感器
產品型號:GD-50T
產品價格:人民幣(元)面議

GD-50T,托利多GD-50T稱重傳感器產品特點與應用:
產品特點:
安裝高度低
綜合精度高
自穩定結構
長期穩定性好
優質合金鋼,表面鍍鎳
防護等級IP67
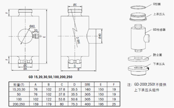
技術指標:
額定容量 t 0.5,1,2,3 5 10 15,20,30
靈敏度 mV/V 2±0.002
不重復性 %R.O. ≤0.01
滯后 %R.O. ≤±0.02 ±0.03
非線性 %R.O. ≤±0.02 ±0.03
蠕變(30分) %R.O. ≤±0.02
零點輸出 %R.O. ≤±1
溫度補償范圍 ℃ -10~+40
工作溫度范圍 ℃ -20~+60
靈敏度溫度系數 %load/ ℃ ≤0.002
零點溫度系數 %R.O.℃ ≤0.002
輸入阻抗 Ω 381±4
輸出阻抗 Ω 350±1
絕緣電阻 mΩ(at50VDC) ≥5000(直流50V)
建議激勵電阻 V(DC/AC) 5~15
最大激勵電壓 V(DC/AC) 20
安全過載 %R.C. 150
極限過載 %R.C. 300
防護等級 IP67
電纜長度 m 4 5 6 9.5
GD-50T,托利多GD-50T稱重傳感器可提供高溫傳感器,最高工作溫度為150℃。
GD-50T,托利多GD-50T稱重傳感器可提供高阻抗傳感器:輸出阻抗1000Ω(0.5t~2t),2000Ω(5t,30t)。

GD-50T,托利多GD-50T稱重傳感器包括以下熱銷量程:
產品型號 產品描述
GD-15T GD搖柱式稱重傳感器,容量15T,13M電纜
GD-20T GD搖柱式稱重傳感器,容量20T,13M電纜
GD-30T GD搖柱式稱重傳感器,容量30T,13M電纜
GD-50T GD搖柱式稱重傳感器,容量50T,13M電纜
GD-100T GD搖柱式稱重傳感器,容量100T,13M電纜
GD-200T GD搖柱式稱重傳感器,容量200T,20M電纜
GD-250T GD搖柱式稱重傳感器,容量250T,20M電纜
GD-300T GD搖柱式稱重傳感器,容量300T,30M電纜
GD-400T GD搖柱式稱重傳感器,容量400T,30M電纜
GD-500T GD搖柱式稱重傳感器,容量500T,30M電纜
GD-50T,托利多GD-50T稱重傳感器
GD系列傳感器連接件
產品型號 產品描述
CP GD連接件CP(15~50T)
DP GD連接件DP(15~50T)
CP(100T) GD連接件CP(100T)
DP(100T) GD連接件DP(100T)
以上是GD-50T,托利多GD-50T稱重傳感器的產品資料,如需了解詳細信息,請登錄網址:http://m.tjtfgt.com.cn,找銷售三部找高工程師。
本站內容未經許可禁止復制轉載!©2002 廣州南創電子科技有限公司
聯系電話:020-82303306 公司傳真:020-82303511下班及雙休日請撥打各品牌負責人電話電話詳情
備案號: 粵ICP備11086172號-1