11年專業銷售工程師-徐工
15年專業銷售工程師-謝工
9年專業銷售工程師-王工
6年銷售工程師-張工
項目產品選型、技術指導高級電器工程師-李工
| 分類 | |
| 品牌 |
| 分類 | |
| 品牌 |
| 分類 | |
| 品牌 |
| 分類 |
|
| 品牌 |
|
優勢一:廣州南創是一家大型傳感器、儀器儀表、工業備品備件供應商!中國傳感器聯合會誠信“AAA”級成員,多家世界知名傳感企業中國市場開拓核心合作伙伴;
優勢二:完善的全國銷售服務網絡:12個區域辦事處、20個分公司、遍布全國的售后服務網點,為您及時便捷實現上門無憂售后服務;
優勢三:為國內多家知名大中型工業企業、航天工業企業提供國際工業自動化控制檢測設備及工業稱重系統和傳感器設備儀表,緊密依托中科院及清華大學的技術支持合作交流。技術、產品可靠值得信賴;
優勢四:鄭重承諾:三個月內產品有質量問題無條件退換貨;
優勢五:資深工程師為您提供全方位完善的一條龍銷售服務指導,售前專業方案設計、產品選型指導,售中安裝調試,售后三年上門免費跟蹤維修服務;
優勢六:全國優勢價格支持銷售,凡在我們公司購買產品,如果同類產品高于主流市場價格,我們雙倍補還差價,性價比高!
優勢七:我公司在國外設有7個境外專業采購中心,保證原裝進口,貨期快捷,價格具有優勢,可靠、放心
優勢八:我公司代理經銷169個品牌,全國同類產品系列全、品種多、多家知名企業中國合作伙伴代理。
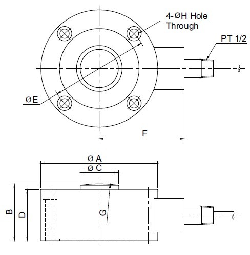
韓國Bongshin CSCK-10T稱重傳感器詳細信息,韓國Bongshin稱重傳感器;以下這編是CSCK-10T傳感器具體技術參數及相關系列產品型號等信息。
品牌:韓國Bongshin CSCK-10T稱重傳感器
名稱:CSCK-10T稱重傳感器
型號:CSCK-10T傳感器
特性:傳感器
量程2-15KG
鋁合金結構
單點秤盤尺寸350MM*350MM
取得OIML R60 2500分度認證
防護等級IP65
有公制和英制螺紋
可選特性:取得EEX ia IIC T4防爆認證 取得FM防爆認證 防護等級IP67
該模型csck是專為重型稱重應用及測試系統。
所有單位都由固態坯料加工和密封焊接隔板。
密封高的額定輸出(3MV/V)-側負載不敏感低剖面

韓國Bongshin CSCK-10T稱重傳感器規格
CSCK-10T稱重傳感器模型 額定容量(鋼筋混凝土)
非線性 磁滯
非重復性蠕變誤差零平衡
溫度。在額定輸出的影響
溫度。在零平衡的影響
終端輸入電阻
終端輸出電阻
絕緣電阻(分鐘)
勵磁電壓
CSCK-10T稱重傳感器電氣連接(22AWG X 4C)
靈敏度:3mv/v
精度:0.05%
適用溫度:-20~80℃
輸入電阻:350歐姆
輸出電阻:350歐姆
激勵電壓:DC10V 最大DC15V
CSCK-10T稱重傳感器安全過載:150%
CSCK-10T稱重傳感器極限過載:300%
保護等級:IP67

OSW懸臂梁稱重傳感器
OSWA-500KGOSWA-1T OSWA-2T OSWA-3T OSWA-5T OSWA-10T
OSWA-2KLBS OSWA-4KLBS OSWA-5KLBS OSWA-10KLBS OSWA-20KLBS
OSWB-500KGOSWB-1T OSWB-2T OSWB-3T OSWB-5T OSWB-10T
OSWB-2KLBS OSWB-4KLBS OSWB-5KLBS OSWB-10KLBS OSWB-20KLBS
OSWC-500KGOSWC-1T OSWC-2T OSWC-3T OSWC-5T OSWC-10T
OSWC-2KLBS OSWC-4KLBS OSWC-5KLBS OSWC-10KLBS OSWC-20KLBS
CSCK-10T稱重傳感器 OSWNE懸臂梁稱重傳感器
OSWN-500KGOSWN-1T OSWN-1.5T OSWN-2T
CSCK-10T稱重傳感器 CR系列壓力稱重傳感器
CRU-200KGCRU-300KGCRU-500KGCRU-1T CRU-2T CRU-3T CRU-5T CRU-10T CRU-20T
CRC-200KGCRC-300KGCRC-500KGCRC-1T CRC-2T CRC-3T CRC-5T CRC-10T CRC-20T
CRD-200KGCRD-300KGCRD-500KGCRD-1T CRD-2T CRD-3T CRD-5T CRD-10T CRD-20T
TR系統拉力稱重傳感器
TRU-50KGTRU-100KGTRU-200KGTRU-300KGTRU-500KGTRU-1T TRU-2T TRU-3T TRU-5T TRU-10T TRU-20T
TRC-50KGTRC-100KGTRC-200KGTRC-300KGTRC-500KGTRC-1T TRC-2T TRC-3T TRC-5T TRC-10T TRC-20T
TRD-50KGTRD-100KGTRD-200KGTRD-300KGTRD-500KGTRD-1T TRD-2T TRD-3T TRD-5T TRD-10T TRD-20T
BCCU壓力稱重傳感器
BCCU-10T BCCU-20T BCCU-30T BCCU-50T
CSCK-10T稱重傳感器 CSDH壓力傳感器
CSDH-30T CSDH-50T CSDH-100T
CMCS壓力傳感器
CMCS-500KGCMCS-1T CMCS-2T CMCS-5T CMCS-10T
以下為您推薦閱讀:
韓國Bongshin CSCK-30T稱重傳感器
本站內容未經許可禁止復制轉載!©2002 廣州南創電子科技有限公司
聯系電話:020-82303306 公司傳真:020-82303511下班及雙休日請撥打各品牌負責人電話電話詳情
備案號: 粵ICP備11086172號-1