11年專業銷售工程師-徐工
15年專業銷售工程師-謝工
9年專業銷售工程師-王工
6年銷售工程師-張工
項目產品選型、技術指導高級電器工程師-李工
| 分類 | |
| 品牌 |
| 分類 | |
| 品牌 |
| 分類 | |
| 品牌 |
| 分類 |
|
| 品牌 |
|
優勢一:廣州南創是一家大型傳感器、儀器儀表、工業備品備件供應商!中國傳感器聯合會誠信“AAA”級成員,多家世界知名傳感企業中國市場開拓核心合作伙伴;
優勢二:完善的全國銷售服務網絡:12個區域辦事處、20個分公司、遍布全國的售后服務網點,為您及時便捷實現上門無憂售后服務;
優勢三:為國內多家知名大中型工業企業、航天工業企業提供國際工業自動化控制檢測設備及工業稱重系統和傳感器設備儀表,緊密依托中科院及清華大學的技術支持合作交流。技術、產品可靠值得信賴;
優勢四:鄭重承諾:三個月內產品有質量問題無條件退換貨;
優勢五:資深工程師為您提供全方位完善的一條龍銷售服務指導,售前專業方案設計、產品選型指導,售中安裝調試,售后三年上門免費跟蹤維修服務;
優勢六:全國優勢價格支持銷售,凡在我們公司購買產品,如果同類產品高于主流市場價格,我們雙倍補還差價,性價比高!
優勢七:我公司在國外設有7個境外專業采購中心,保證原裝進口,貨期快捷,價格具有優勢,可靠、放心
優勢八:我公司代理經銷169個品牌,全國同類產品系列全、品種多、多家知名企業中國合作伙伴代理。
【廣州★南創】供應柯力稱重傳感器SBO-5T,SBO-5T稱重傳感器原裝進口,品質質量好,精度高耐用度強!強烈推薦性價比最高的SBO-5T傳感器
SBO-5T傳感器主要特點:
合金鋼材料 Alloy steel
適用于平臺秤、臺秤控制系統、電子軌道衡等 For platform scales, scales control systems, electronic trackscale, etc.
量程:0.3t~25t Range: 0.3t ~ 25t
高精度 Precision
鍍鎳材料混合尺度 Nickel-plated material mixing scale
安裝方便 Easy installation
雙剪切梁拉伸的應用 Double shear beam stretching applications
機械保護性能可靠 Reliable mechanical protection
高架軌道衡結構 Overhead rail scale structure
灌封合物等級 Grade potting compound
SBO-5T技術指標:
接口:全范圍大頻率接口,支持超過市面上90%的接線盒
量程:標準量程為2t,額定載荷為標準量程的40%-90%
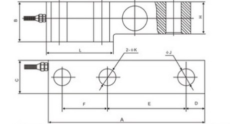
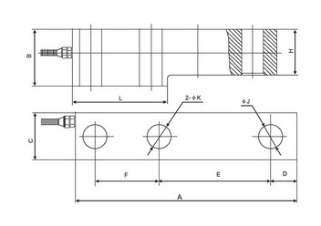
外形尺寸:豎立式130*156*179
累計重量:脈沖輸出/遠程
極限過載: 為額定載荷的180%
接口:RS-312電信號接口
認證:滿足ATEX 俄羅斯Gost認證
工作頻率:在200HZ-500HZ之間
安全過載: 為額定載荷的120%
靈敏度: 3.0mV/V
推薦電源電壓:10-12V
應用范圍:
平臺秤、臺秤控制系統、電子軌道衡
參數及特點
柯力SBO-5T傳感器內部可選擇三種額定電壓 110/330/380VAC 頻率 50/60Hz 單相
長期穩定性 0.3%FS/年;
SBO-5T傳感器使用壓力范圍:1.5~8 kgf/cm2, 耐壓力:10.5kgf/cm2
輸入通道1:4-30mA; 輸入通道 3:4-30mA;輸入通道3:4-30mA;傳感器輸出通道1:4-30mA;工作電源:34VDC
溫度漂移:0.03%FS/°C;
輸出阻抗1402 ±5Ω
電源要求:18 - 30VDC最大600mA180 - 230VAC最大2.5W100VAC
SBO-5T傳感器接口:SATA/IDE接口:1×SATA-II接口1×40PIN IDE接口
電源功耗:CLE266/1G不加PCI設備50W
相對濕度:0~90%,系統無冷凝


廣州南創長期供應美國柯力傳感器、托利多傳感器、suncells傳感器、hmcells傳感器,包括接線盒、變送器、顯示儀表等也都一并供應,歡迎各位經銷商和采購商前來咨詢產品和服務的相關信息,廣州南創承諾絕對的原裝正品現貨提供,童叟無欺、貨真價實
以上信息是柯力SBO-5T稱重傳感器的簡單介紹,如果您對柯力SBO-5T稱重傳感器的產品特性、型號參數、量程、價格廠家有需要了解的地方,請務必認準中國正式一級供應商【廣州南創】獲取傳感器SBO-5T的最新產品相關信息。
本站內容未經許可禁止復制轉載!©2002 廣州南創電子科技有限公司
聯系電話:020-82303306 公司傳真:020-82303511下班及雙休日請撥打各品牌負責人電話電話詳情
備案號: 粵ICP備11086172號-1