11年專業銷售工程師-徐工
15年專業銷售工程師-謝工
9年專業銷售工程師-王工
6年銷售工程師-張工
項目產品選型、技術指導高級電器工程師-李工
| 分類 | |
| 品牌 |
| 分類 | |
| 品牌 |
| 分類 | |
| 品牌 |
| 分類 |
|
| 品牌 |
|
優勢一:廣州南創是一家大型傳感器、儀器儀表、工業備品備件供應商!中國傳感器聯合會誠信“AAA”級成員,多家世界知名傳感企業中國市場開拓核心合作伙伴;
優勢二:完善的全國銷售服務網絡:12個區域辦事處、20個分公司、遍布全國的售后服務網點,為您及時便捷實現上門無憂售后服務;
優勢三:為國內多家知名大中型工業企業、航天工業企業提供國際工業自動化控制檢測設備及工業稱重系統和傳感器設備儀表,緊密依托中科院及清華大學的技術支持合作交流。技術、產品可靠值得信賴;
優勢四:鄭重承諾:三個月內產品有質量問題無條件退換貨;
優勢五:資深工程師為您提供全方位完善的一條龍銷售服務指導,售前專業方案設計、產品選型指導,售中安裝調試,售后三年上門免費跟蹤維修服務;
優勢六:全國優勢價格支持銷售,凡在我們公司購買產品,如果同類產品高于主流市場價格,我們雙倍補還差價,性價比高!
優勢七:我公司在國外設有7個境外專業采購中心,保證原裝進口,貨期快捷,價格具有優勢,可靠、放心
優勢八:我公司代理經銷169個品牌,全國同類產品系列全、品種多、多家知名企業中國合作伙伴代理。
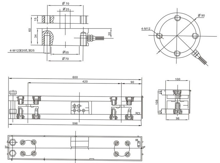
關于YBS-A-5t稱重傳感器,詳細信息請點擊:柯力傳感器;可查找了解YBS-A-5t稱重傳感器具體技術參數及相關系列產品型號等信息。
產品品牌:(HMcells)柯力稱重傳感器
產品類型:柯力(HMcells)圓板式稱重傳感器YBS-A-5t
產品型號:YBS-A-5t,YBS-A-1t,YBS-A-2t,YBS-A-3t,YBS-A-5t,YBS-A-7.5t
產品服務:全天候在線,全心全意的服務態度,全力以赴的服務素質
訂購專線: 030-39063883
產品承諾:十幾年的行業信譽和行業經驗,值得信賴!
柯力YBS-A-5t傳感器技術參數特點:
適用于料斗秤YBS -A- 5t稱重傳感器
全密封真空焊接技術
靜態真空密封技術、密封等級達到IP68
很寬范圍的溫度補償
不銹鋼材料、化學灌封
額外的壓力保護
靈敏度2.0 ± 0.002 mV /視頻
抗過載能力強,能有效保護傳感器
圓板結構,質量嚴重保證
認證 CE Class A、OIMLC、VCAP認證
很小的輸入等效電阻
零點和增益調節
周圍溫度 攝氏-10度~+50
采用通用傳感器進口
不銹鋼波紋膜片敏感元件
采用回流焊焊接
支持冗余電源
適用于廣泛的混合比例壓縮力測量場合
方便可靠的安裝
惡劣環境適應能力
零點溫度± 0.02 % F.S/10 ℃
寧波柯力公司秉承“求實創新、服務員工、成就客戶”的企業文化,確定了“建設國際一流的物聯網公司”長期發展戰略。共有5個研發分部,100余人的研發團隊,與浙江大學、寧波大學、寧波工程學院、中科院寧波材料所合作,推進稱重傳感器技術全面發展,全面提高開發能力。多年來柯力始終把技術研發放在核心位置,重視新產品開發和技術創新,兼顧技術領先性和市場需求,確立了以產品經理為核心的研發管理體系,要求產品經理深入市場一線,主導托利多傳感器產品研發全過程,以客戶為中心,執行產品全生命周期的管理。同時兼顧技術前瞻性,專門研發未來三到五年后投放市場的行業前瞻性YBS-A-5t傳感器領導產品。
寧波柯力(HMcells)YBS-A-1t稱重傳感器
寧波柯力(HMcells)YBS-A-2t稱重傳感器
寧波柯力(HMcells)YBS-A-3t稱重傳感器
寧波柯力(HMcells)YBS-A-5t稱重傳感器
寧波柯力(HMcells)YBS-A-7.5t稱重傳感器
寧波柯力(HMcells)YBS-A-10t稱重傳感器
寧波柯力(HMcells)YBS-A-15t稱重傳感器
寧波柯力(HMcells)YBS-A-20t稱重傳感器
寧波柯力(HMcells)YBS-A-25t稱重傳感器

柯力YBS系列傳感器其它型號:
YBSC-A-0.1t,YBSC-A-0.2t,YBSC-A-0.5t,YBSC-A-1t,YBSC-A-2t,YBSC-A-5t,YBSC-A-10t,YBSC-A-20t,YBSC-A-30t,YBSC-A-50t
YBSK-A-0.1t,YBSK-A-0.2t,YBSK-A-0.5t,YBSK-A-1t,YBSK-A-2t,YBSK-A-5t,YBSK-A-10t,YBSK-A-20t,YBSK-A-30t,YBSK-A-50t
YBSG-A-0.1t,YBSG-A-0.2t,YBSG-A-0.5t,YBSG-A-1t,YBSG-A-2t,YBSG-A-5t,YBSG-A-10t,YBSG-A-20t,YBSG-A-30t,YBSG-A-50t
YBSF-A-0.1t,YBSF-A-0.2t,YBSF-A-0.5t,YBSF-A-1t,YBSF-A-2t,YBSF-A-5t,YBSF-A-10t,YBSF-A-20t,YBSF-A-30t,YBSF-A-50t
YBSR-A-0.1t,YBSR-A-0.2t,YBSR-A-0.5t,YBSR-A-1t,YBSR-A-2t,YBSR-A-5t,YBSR-A-10t,YBSR-A-20t,YBSR-A-30t,YBSR-A-50t
廣州南創熱賣其它柯力傳感器型號:
MOD ZSG-A/ZSGY-A 10t 15t 20t 25t 30t 40t 50t
MOD ZSGB-A/ZSGBY-A 10t 15t 20t 25t 30t DCB 40t
MOD ZSE-A 20t 25t 30t 40t 50t 60t 70t 100t 150t
MOD ZSL-A 2t 3t 5t 10t 15t 20t ZSM-A 5t 10t
MOD ILG/ILG-A 50kg 100 kg 150 kg 200 kg 250 kg 500 kg 750 kg 1000 kg
MOD TSGB-SS 50 lb 100 lb 250 lb 500 lb 1 klb 2 klb 3 klb 4 klb 5 klb 7.5 klb 10 klb
MOD TS 500kg 1000kg XZF 200kN HND-SS 3klb HNDC-SS 30 klb 60 klb 100 klb
MOD NB 2t 3t 5t 10t 15t 20t 30t BHS 5t 10t 15t 20t
MOD DG 1t 3t 5t 7.5t 15t DGB 10t
MOD SCG 350kg 700kg 850kg 1300kg SCK 15kg 30kg 45kg 60kg 100kg 150kg
MOD QSEB-A 25klb 40klb 50klb 60klb 75 klb 100klb 125klb
MOD QSG-A 1t 2t 3t 5t 10t 15t 20t 25t 30t 40t
MOD QSN-A 20t 30t 40t 50t
MOD QSNB-A 10t 15t 20t 25t 30t
MOD QSK-A 10t 15t 20t 30t 40t 50t 60t
MOD GG-A 2t 5t 10t 15t 20t 30t 40t 50t 80t 100t
MOD GGB-A 5t
MOD BTE-A 15t 20t
MOD BTL-A 15t
MOD BTG-A 12t 5t 30t
圓板式稱重傳感器YBSC:
YBSC-A-0.1t,YBSC-A-0.2t,YBSC-A-0.5t,YBSC-A-1t,YBSC-A-2t,YBSC-A-5t,YBSC-A-10t,YBSC-A-20t,YBSC-A-30t,YBSC-A-50t
拉式傳感器RFS:
RFS-100g,RFS-200g,RFS-500g,RFS-1kg,RFS-2kg,RFS-5kg,RFS-10kg,RFS-20kg,RFS-50kg,RFS-100kg
通孔稱重傳感器LC8:
LC8100-200-5lb,LC8100-200-10lb,LC8100-200-25lb,LC8100-200-50lb,LC8100-200-100lb,LC8100-200-200lbLC8125-312-25lb,LC8125-312-50lb,LC8125-312-100lb,LC8125-312-250lb,LC8125-312-500lb
輪輻式稱重傳感器LC401/402:
LC401-1Klb,LC401-5Klb,LC401-100Klb,LC402-50lb,LC402-100lb,LC402-250lb,LC402-500lb,LC402-1Klb,LC402-2Klb,LC402-3Klb,LC402-5Klb,LC402-10Klb
單點式傳感器Model MS4010:
MS4010-5kg,MS4010-7kg,MS4010-10kg,MS4010-15kg,MS4010-20kg,MS4010-30kg,MS4010-50kg,MS4010-100kg
梁式稱重傳感器NSA:
NSA-1.5KN,NSA-2KN,NSA-3KN,NSA-5KN,NSA-7.5KN,NSA-10KN
懸臂梁傳感器Mod AH/Mod BH:
AH-5kg,AH-10kg,AH-15kg,AH-20kg,AH-25kg,AH-30kg,AH-50kg,AH-75kg,AH-100kg,BH-50kg,BH-75kg,BH-100kg,BH-150kg
波紋管稱重傳感器F1:
F1-2.5kg,F1-5kg,F1-10kg,F1-20kg,F1-25kg,F1-50kg,F1-100kg,F1-200kg(C2/C3)
S型稱重傳感器61121:
Load Cell,S-Beam 60001A300- 1177 300lb 20ft Sensortronics 3mV/V 350 OHM WW NTEP III 5S/ IIIL 10S FM IP67
柯力YBS-A-5t稱重傳感器應用注意事項
秤臺的強度:建議單節6m秤臺滿載時總體下彎不超過10mm
基礎的承載能力應足夠強,建議基礎面承載能力大于秤臺滿量程/傳感器個數*150%
基礎承載面的水平度:建議高度落差不大于3mm
限位的安裝與調節:不但設置前后限位,還應注意冬夏秤臺熱脹冷縮的長度變化,需及時調整限位間隙
傳感器的安裝:傳感器安裝應基本垂直,建議配置水平對位工裝進行輔助安裝
量程的選擇:一般應使傳感器工作在30-70%的量程范圍內,如100t的秤臺,8只傳感器,選用30t的傳感器就比較合適
排水處理:建議在秤臺土方開挖時,應考慮排水問題
防雷接地處理:為保證防雷效果,秤臺可靠接地
以上信息是美國柯力(HMcells)YBS-A-5t稱重傳感器的簡單介紹,如果您對柯力YBS-A-5t稱重傳感器的產品特性、型號參數、量程、價格廠家有需要了解的地方,請務必認準中國正式一級供應商【廣州南創】獲取YBS-A-5t傳感器最新產品相關信息。
上一篇:SBO-5T稱重傳感器_寧波柯力
本站內容未經許可禁止復制轉載!©2002 廣州南創電子科技有限公司
聯系電話:020-82303306 公司傳真:020-82303511下班及雙休日請撥打各品牌負責人電話電話詳情
備案號: 粵ICP備11086172號-1